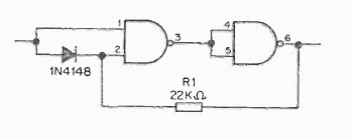
This low hysteresis circuit was obtained from old documentation. The circuit must be powered by a voltage of 5 V.
Found in an old Popular Electronics, the purpose of this circuit is to give a strong discharge in an...
The circuit shown is from the 1993 Motorola Linear Interface ICs. The power source may be common...
Indicated by a Popular Electronics of the 90s originally to measure the light determining the exposure...