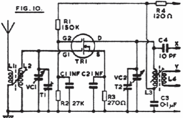
Found in an old English publication this circuit uses a dual gate MOSFET. Coils not specified.
A single high-power transistor MJ15003 is used in the circuit in the figure to generate strong...
The output current of this circuit reaches 12 mA. The zener diode determines the output voltage. The...
This circuit can be supplied with voltages of 6 or 12 V, depending on the relay. The transistor can be...