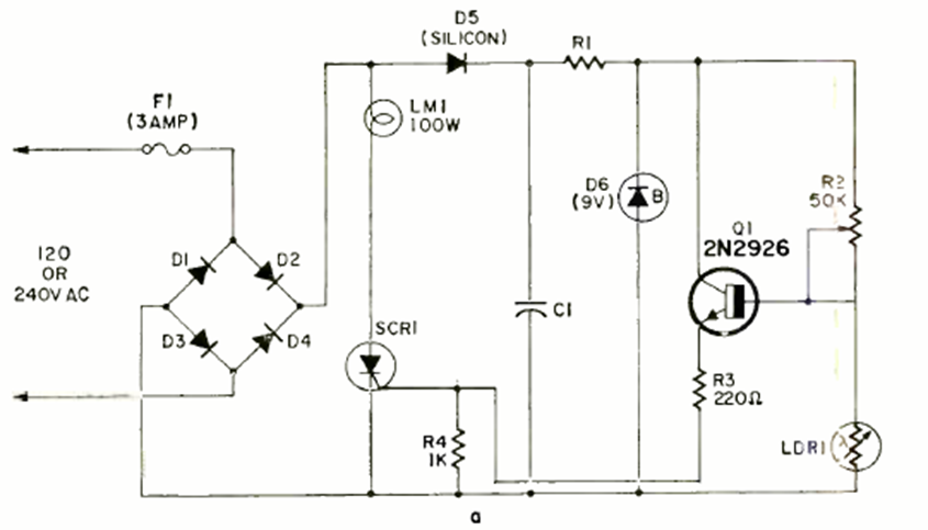
This circuit appeared in the July 1969 issue of Radio Electronics magazine. The sensor is an LDR. and the circuit is a full-wave control. The diodes must be rated for the lamp power, as must the SCR.
This circuit appeared in the July 1969 issue of Radio Electronics magazine. The sensor is an LDR. and the circuit is a full-wave control. The diodes must be rated for the lamp power, as must the SCR.