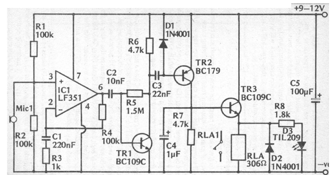
This is the receiver for the previous transmitter. The microphone is of the high impedance ultrasonic type. The circuit activates a relay. The operational amplifier supports equivalent.
This 4-digit counter, using CMOS technology, was found in a 1997 documentation. The circuit is...
This circuit activates a relay that has a lamp as a load. The circuit is from a Radio Electronics from...
This circuit can measure frequencies up to just over 1 MHz and uses CMOS technology. The circuit is...