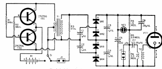
This circuit uses a special 1950's RCA strobe tube. It can be built with equivalent components for the rest of the circuit.

This circuit uses a special 1950's RCA strobe tube. It can be built with equivalent components for the rest of the circuit.