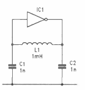
This is the basic configuration of a Colpitts LC oscillator using a CMOS gate.
We found this circuit, which appears with variations on this site, in a European documentation from the...
This circuit that drives an electromechanical counter of the time was found in Radio Electronics magazine...
Found in a Hands On Electronics of the 80s, this circuit makes use of a gas sensor of the time....