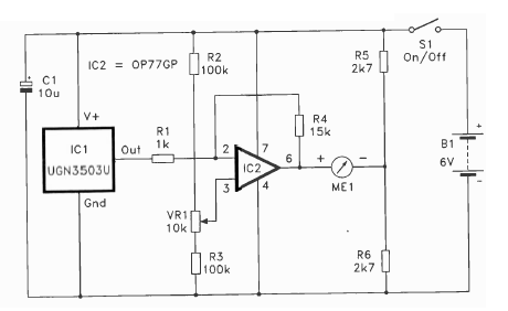
We found this circuit in an English publication from 1995. The Hall sensor used is a component of the time. The operational amplifier might be the 741.

We found this circuit in an English publication from 1995. The Hall sensor used is a component of the time. The operational amplifier might be the 741.
