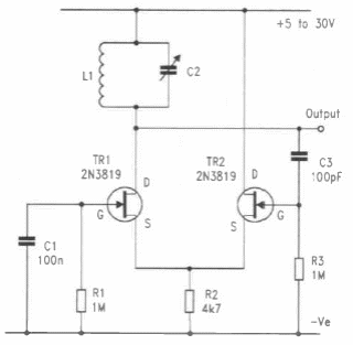
This LC oscillator was found in English documentation from the 1990s. JFETs may be general-purpose equivalents.
Found in an old Popular Electronics, the purpose of this circuit is to give a strong discharge in an...
The circuit shown is from the 1993 Motorola Linear Interface ICs. The power source may be common...
Indicated by a Popular Electronics of the 90s originally to measure the light determining the exposure...