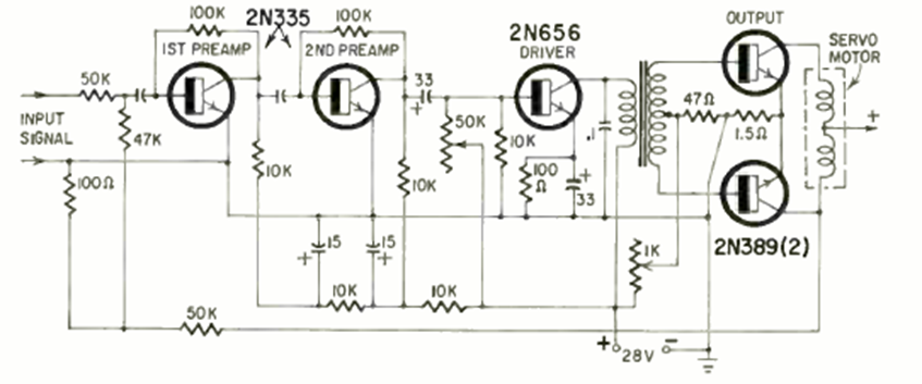
This circuit is from a Radio Electronics from July 1965. The circuit uses components from the time also controlling a servo from the time. The power supply is 28 V.
The circuit shown in the figure activates a small indicator lamp that will start to flash when the...
The circuit shown is from National Semiconductor's Linear Applications Handbook. The LM3900 is a...
This circuit was found in a 1976 documentation. It can be used with old tape recording mechanisms for...