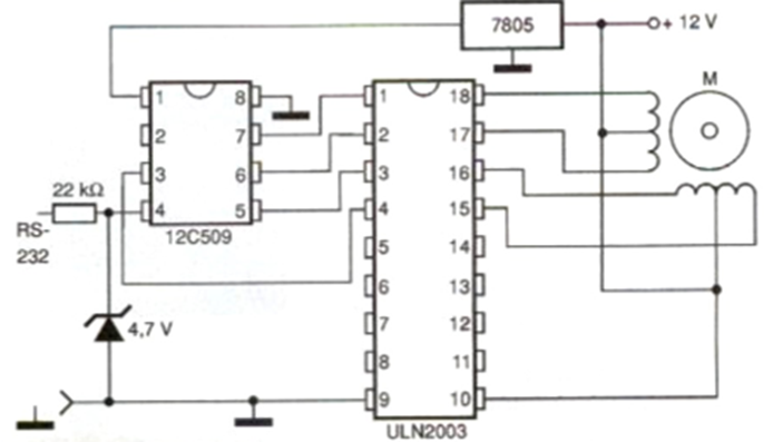
The circuit shown in the figure makes it possible to control a stepper motor via a PC's serial port (RS-232). In this application we use the ULN2803 integrated circuit for power control with the capacity to supply currents of up to 500 mA to the controlled motor. The 7805 integrated circuit reduces the 12 V voltage of the motor supply to the 4 V necessary for the logic formed by the 12C509 integrated circuit. The 4V7 x 400 mW zener diode serves as a filter to divert any higher voltage pulses that are on the data line and could cause malfunctions in the circuit.




