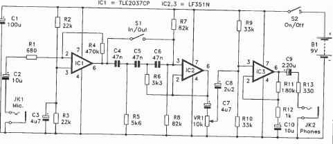
We found this circuit in an English documentation from 1995. The components used are common nowadays. The phone is low impedance.

We found this circuit in an English documentation from 1995. The components used are common nowadays. The phone is low impedance.
