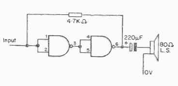
This simple TTL digital amplifier uses NAND gates and a high impedance speaker.
The circuit shown in the figure activates a small indicator lamp that will start to flash when the...
The circuit shown is from National Semiconductor's Linear Applications Handbook. The LM3900 is a...
This circuit was found in a 1976 documentation. It can be used with old tape recording mechanisms for...