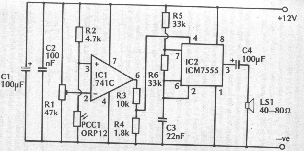
This circuit is intended to warn you if you forget to turn on the lights. We found it in old English documentation. The sensor is a common LDR.

This circuit is intended to warn you if you forget to turn on the lights. We found it in old English documentation. The sensor is a common LDR.
