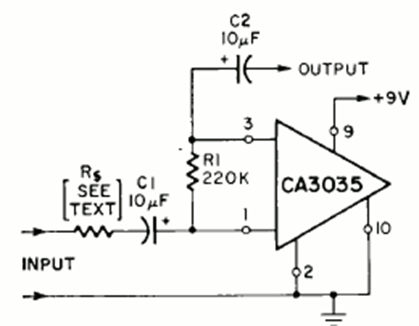
This amplifier uses an operational amplifier from the time. It was found in the February 1970 issue of Radio Electronics magazine. The gain is given by R1 which can be changed.

This amplifier uses an operational amplifier from the time. It was found in the February 1970 issue of Radio Electronics magazine. The gain is given by R1 which can be changed.
