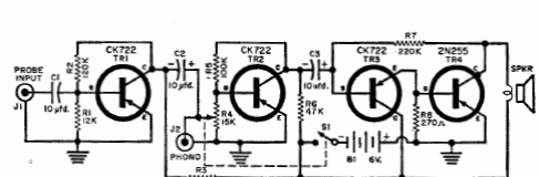
Using old germanium transistors like the CK722, this circuit has good gain. We found it in a publication from the 50s.
This circuit uses a unijunction transistor in a different configuration to generate rectangular pulses at...
We found this configuration in a 1974 technical documentation. It can test both TTL logic circuits and...
We found this circuit in an old American publication. The circuit is designed to measure the...