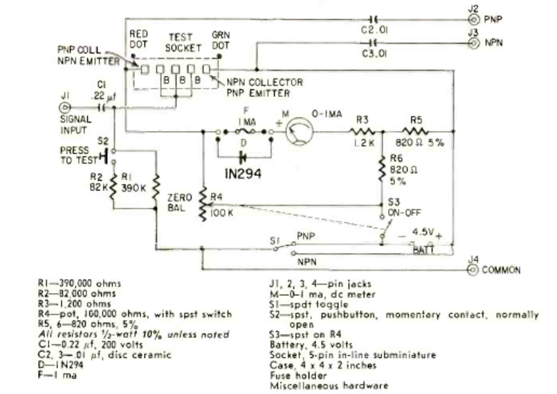
Found in Radio Electronics from May 1959, this transistor tester is quite sophisticated. The circuit uses a 1 mA analog indicator.
This circuit was found in an English publication from the 80's. It triggers a buzzer (with...
This circuit can generate signals in the audio range between fraction of hertz up to approximately 10 kHz...
This 9 + 9 V symmetrical power supply was obtained in a 1977 symmetric publication but can still be...