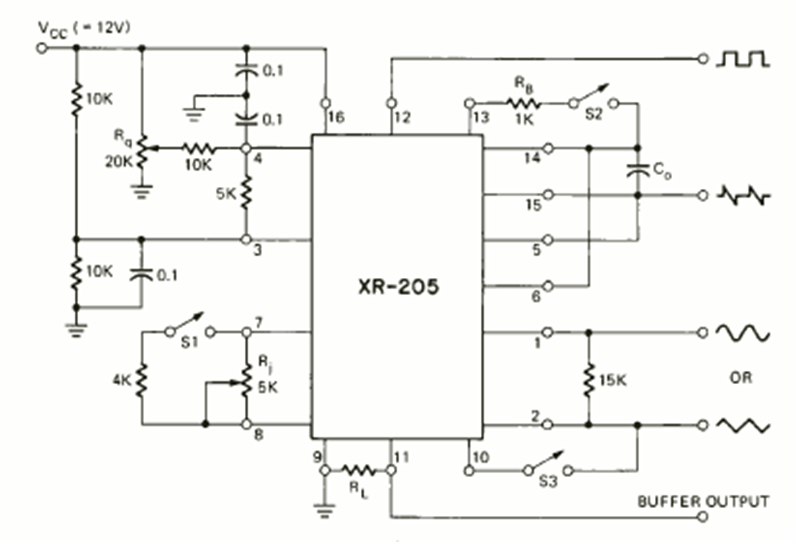
This circuit was found in the August 1972 issue of Radio Electronics magazine. The circuit generates 4 types of signals as can be seen in the diagram. The maximum frequency is around 20 kHz.
This circuit was found in Popular Electronics. Its purpose is to warn the visually impaired when a glass...
This amplifier, suggested by National Semiconductor, is characterized by its very high input...
Found in documentation from the 1980s, this circuit makes use of discrete components of the time....