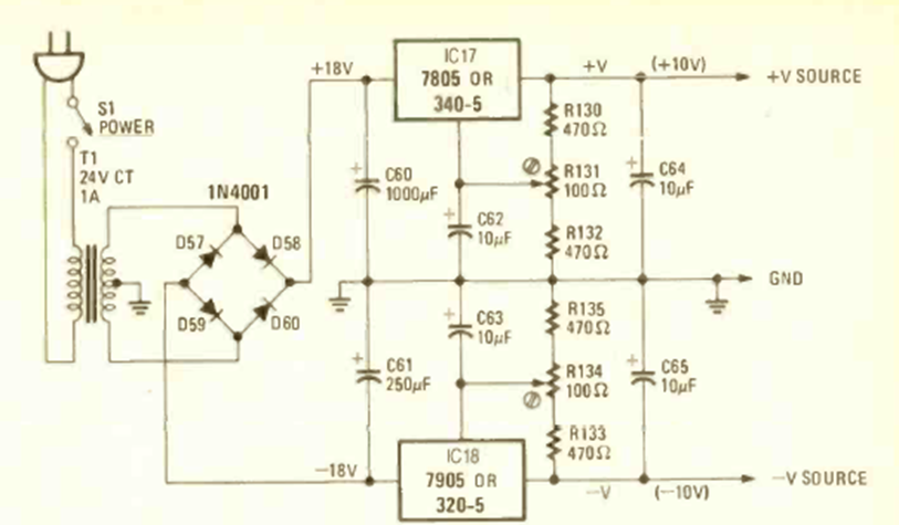
This circuit was found in the March 1979 issue of Radio Electronics magazine. Integrated circuits must be equipped with heatsinks. The maximum current is 1 A.
The circuit shown in the figure generates a signal between 50 and 100 MHz and can therefore be...
Found in a 1967 publication by General Electric, this SCR circuit generates voltages of 120 VAC at...
The basic frequency of this circuit is determined by the capacitor of 470 nF and the adjustment of the...