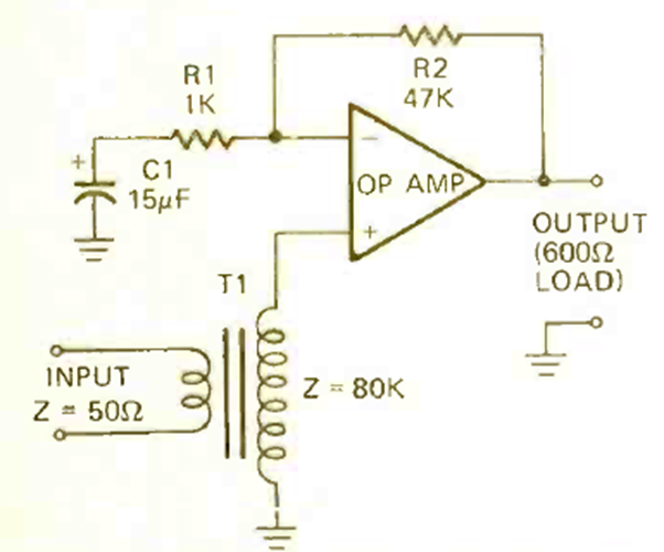
This circuit is suitable for low impedance sources, using an operational amplifier. The gain is around 40 times, and the transformer is of an old type. The circuit is from a Radio Electronics magazine from December 1972.

This circuit is suitable for low impedance sources, using an operational amplifier. The gain is around 40 times, and the transformer is of an old type. The circuit is from a Radio Electronics magazine from December 1972.
