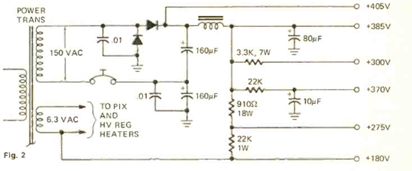
This power supply was featured in the December 1973 issue of Radio Electronics magazine. This type of circuit was used at the time to power tube televisions.
This good quality stereo amplifier was found in a Japanese publication from the 1960s. The circuit...
This circuit allows you to use the parallel PC interface to control LEDs. The circuit was found in...
This circuit, with printed circuit board, is from an article in Radio Electronics magazine from...