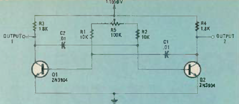
This common circuit is from September 1984 Radio Electronics. The transistors are general purpose, and the frequency is given by the capacitors.
Found in a publication by Gernsback from 1960, this circuit makes use of germanium transistors of the time....
To control relays or DC motors safely with double isolation via the parallel port, we suggest the...
This circuit is from a 1975 Sperimentare (number 11). The circuit uses optical coupling for a...