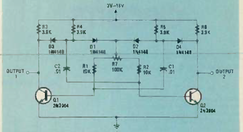
This circuit was found in the September 1984 issue of Radio Electronics magazine. The frequency is given by the capacitors. The diodes help in the starting process.
Monostable action can be an important factor in many projects. Monostable action is understood as the...
This transmitter for infrared remote control was obtained in an old documentation, but it can...
This circuit can be used to control loads up to 500 mA from the outputs of microcontrollers such...