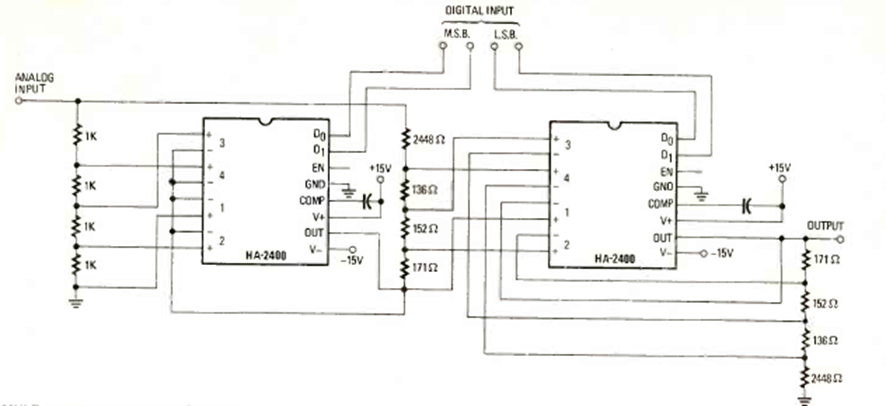
This digital to analog converter circuit was found in the March 1980 Radio Electronics magazine. The power supply should be symmetrical, and the digital controls can be TTL.
This circuit can operate with signals up to 60 MHz using the indicated operational. We found it in...
This circuit takes advantage of the noise generated at the reverse biased junction of a germanium...
Equivalent transistors can be used on this 80's circuit. Any general purpose PNP transistor can work...