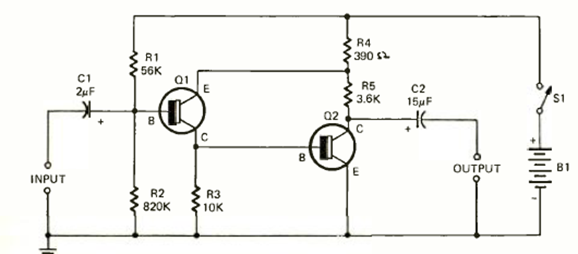
This general purpose two-transistor complementary configuration was found in the December 1972 issue of Radio Electronics magazine. The power supply is between 6 and 12 V.
This circuit can operate with signals up to 60 MHz using the indicated operational. We found it in...
This circuit takes advantage of the noise generated at the reverse biased junction of a germanium...
Equivalent transistors can be used on this 80's circuit. Any general purpose PNP transistor can work...