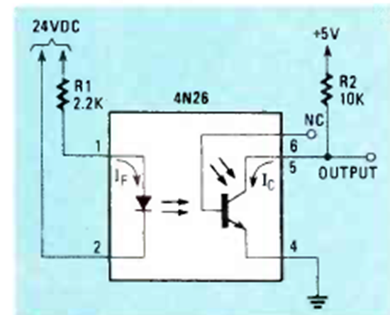
The figure shows how to interface a 24 V signal with TTL logic using a 4N26 coupler. The circuit is from Radio Electronics from May 1985.

The figure shows how to interface a 24 V signal with TTL logic using a 4N26 coupler. The circuit is from Radio Electronics from May 1985.
