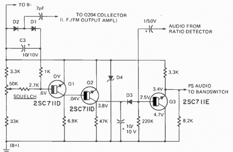
This circuit for communications receivers was found in the January 1974 issue of Radio Electronics magazine. The transistors are Japanese types of the time, as the circuit was part of equipment of that origin.
We find this circuit in a Linear Technology application manual. The circuit can drain up to 1 A of...
Found in Radio Electronics from the 90s, this circuit has a power given by the output amplifier. The...
This circuit makes use of a commercial type current transformer. The circuit is from a 2005 Linear...