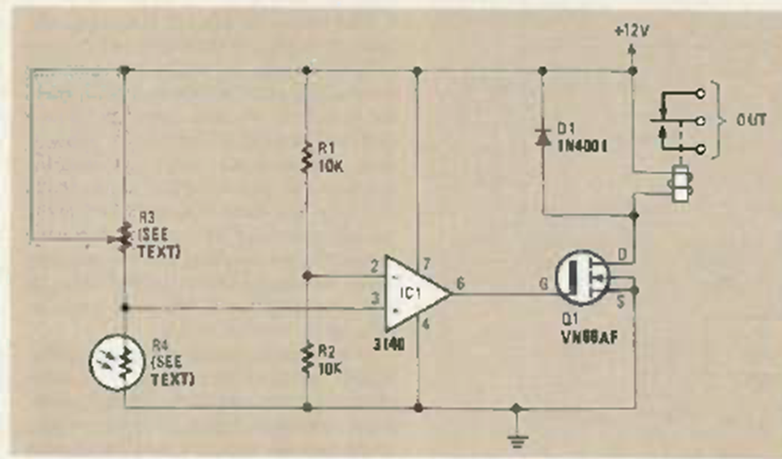
Unlike the previous circuit this one trigger when the temperature drops below the set value. The circuit is from June 1986 Radio Electronics magazine.
This circuit uses an audio output transformer found in old transistor radios. Power output is...
Found in a 1967 Electronics World, this circuit uses unusual components today. The transformer has a high...
This circuit consists of a charge pump with positive input and negative output. We find it in a...