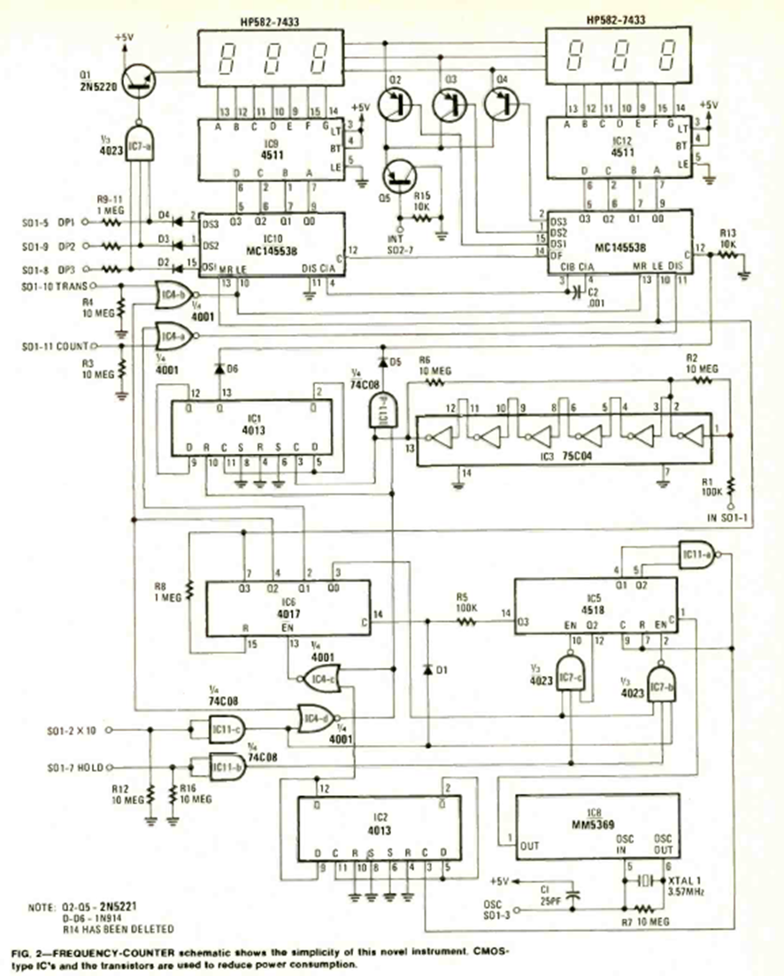
We found this circuit in the October 1978 issue of Radio Electronics magazine. The magazine article describes its assembly. The circuit is a 6-digit circuit using components from the time.
We found this circuit in a 2005 documentation. The circuit allows the automation of a gate through...
Found in an 90s Electronic Design, this circuit provides a 110 dB output to a ceramic transducer....
This circuit activates a relay with a frequency signal determined by the adjustment components. The...