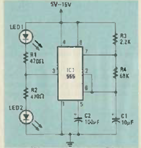
This flasher was found in the September 1984 Radio Electronics magazine. The frequency is given by resistors C1 and C2. The LEDs flash alternately.

This flasher was found in the September 1984 Radio Electronics magazine. The frequency is given by resistors C1 and C2. The LEDs flash alternately.
