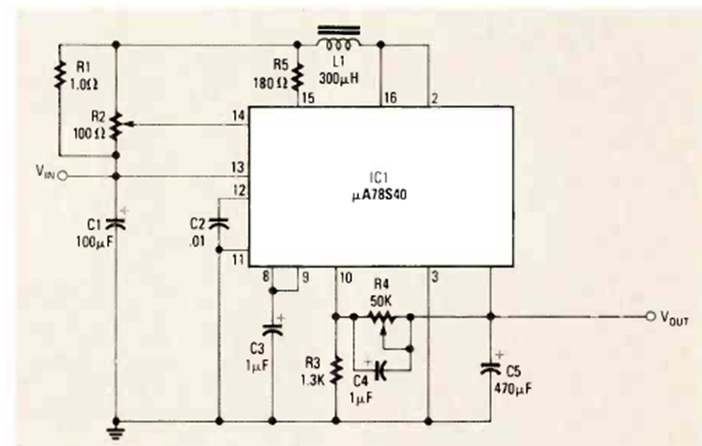
This step-down regulator was found in the December 1985 issue of Radio Electronics magazine. The circuit has an input voltage of 25V.
This circuit, obtained from the component manual used, has an ultra narrow 1 kHz range given by...
The figure shows how to implement a No – OR or NOR function with 1 general purpose transistor. The supply...
According to its author, this device indicates the amount of force applied to the sensors. The...