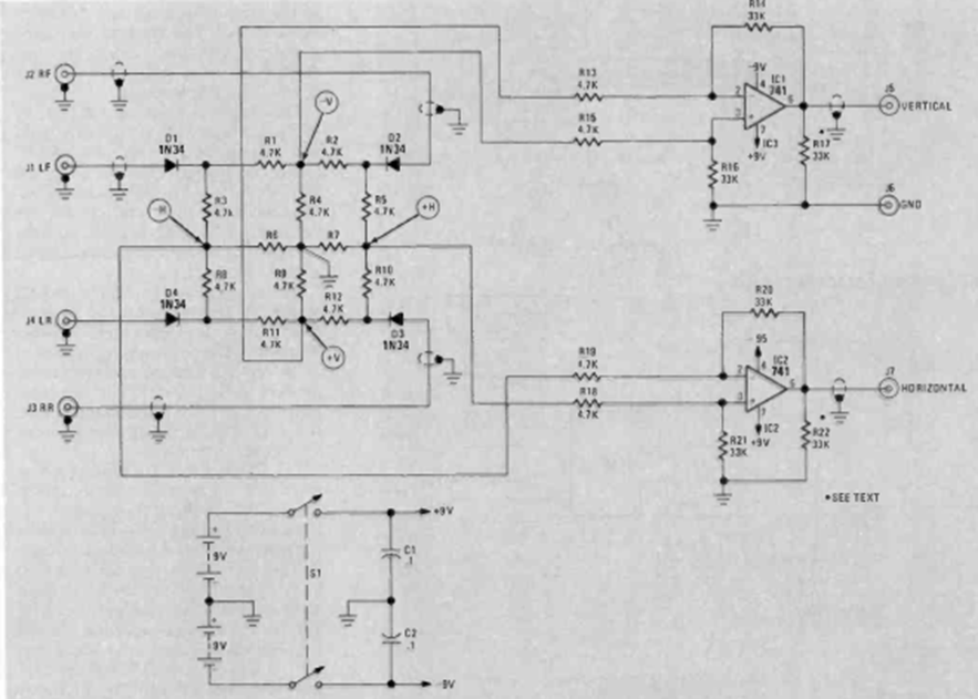
This signal multiplexer circuit for early low-frequency oscilloscopes was found in the May 1977 issue of Radio Electronics magazine. The circuit requires a symmetrical source.
This circuit provides a pulse train of 4 MHz or at another frequency determined by the crystal during...
The number of pulses produced by this circuit depends on the switch pressed. The circuit is from...
This circuit prevents the passage of frequencies in a range starting at 1 kHz and can be adjusted...