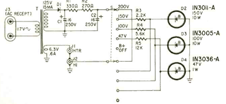
This circuit was obtained from the July 1970 issue of Radio Electronics magazine. Zeners are power types that can provide a good current to the circuit. Selection is made by rotary switch.
This circuit provides a pulse train of 4 MHz or at another frequency determined by the crystal during...
The number of pulses produced by this circuit depends on the switch pressed. The circuit is from...
This circuit prevents the passage of frequencies in a range starting at 1 kHz and can be adjusted...