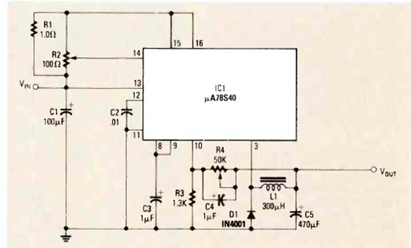
With a 10 V input this circuit provides a 25 V output. The circuit is from December 1985 Radio Electronics.
This circuit is the conventional configuration of a negative regulator for a current up to 1 A and...
We found this circuit in the 1982 SGS Linear Integrated Circuits manual. The L78xx is equivalent to 78xx...
This timer activates a relay after a time interval of up to 15 minutes has elapsed, starting from...