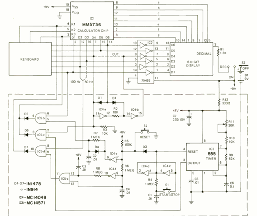
This circuit was found in February 1976, Radio Electronics magazine. The components are from the time and are based on the 555. The power supply must be provided with the indicated voltages.
This circuit was found in a 90s European documentation. The circuit already includes a powerful...
This circuit outputs a signal modulated by a unijunction oscillator. The circuit is from a Radio...
This configuration, which uses a transistorized circuit in the feedback, provides a logarithmic response...