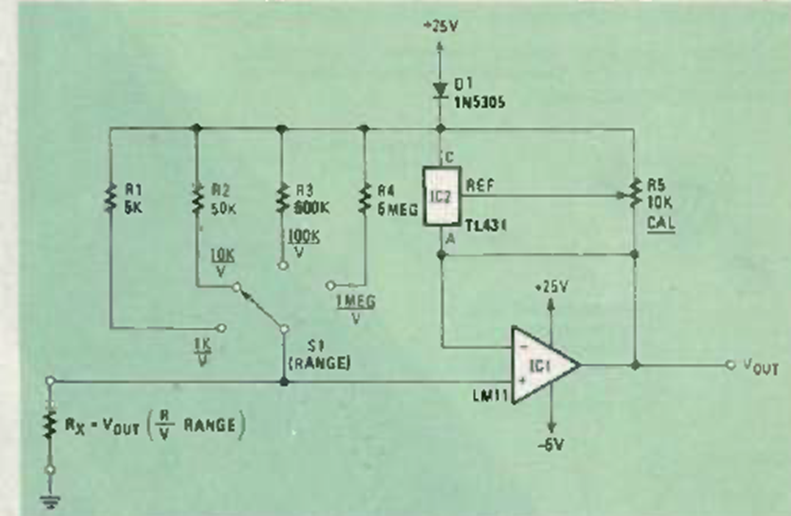
This regulator circuit was found in the June 1984 issue of Radio Electronics magazine. The LM11 is a power operator. Voltage selection is done by a switch,
This circuit can be used as a time automation for driving motors in robotics and mechatronics. What we have...
The source used in this timer is of the type without transformer and regulated by the 7 W zener. The...
This trigger-delay circuit was found in a 1960s General Electric unijunction transistor manual. The...