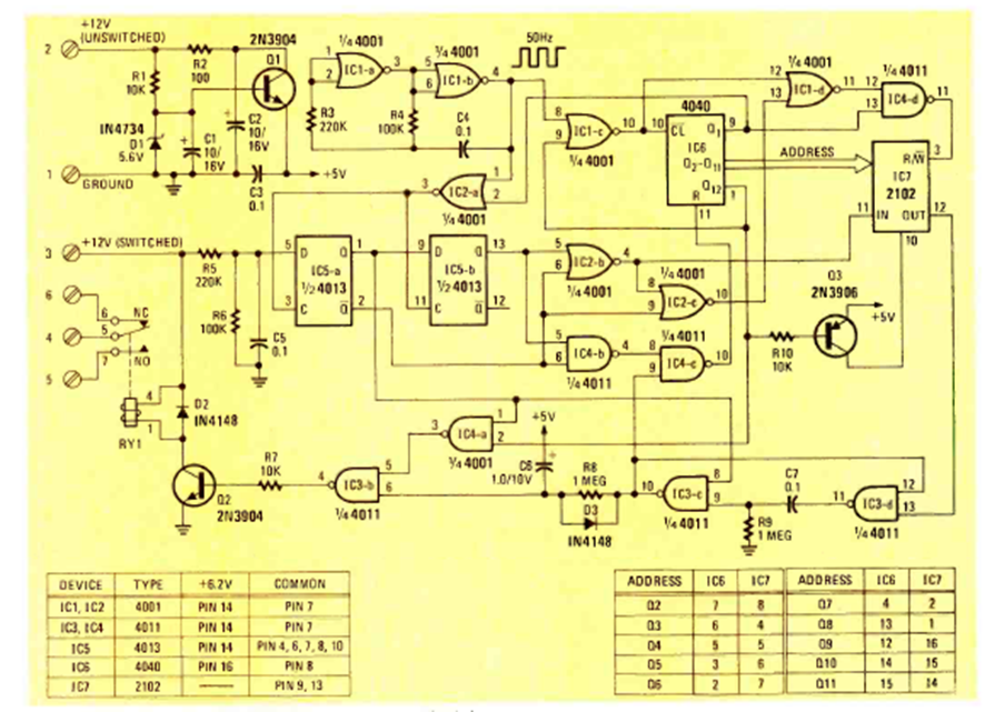
This sophisticated circuit was found in the November 1978 issue of Radio Electronics magazine. Based on CMOS logic, it has several types of timing, controlling the wiper relay.
This variable frequency oscillator (VFO or OFV) was obtained in an old Motorola documentation. The integrated...
This electronic ignition circuit was found in Motorola's Linear Databook of 1990. The components are not...
Found in old documentation, this circuit uses components that are still common on the market. The...