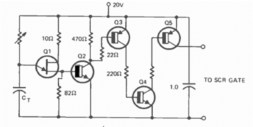
This unijunction transistor trigger pulse generator circuit was found in the March 1973 issue of Radio Electronics magazine. Typical values for Re CT are 100k and 220 nF.
This circuit can be used as a time automation for driving motors in robotics and mechatronics. What we have...
The source used in this timer is of the type without transformer and regulated by the 7 W zener. The...
This trigger-delay circuit was found in a 1960s General Electric unijunction transistor manual. The...