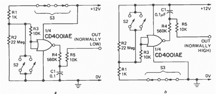
These circuits prevent bouncing in alarm systems. The circuit indicated is for sensors connected in parallel.
We found this circuit in an old documentation from the 70s, but it can be assembled with more...
This circuit controls a fan in the car, according to the temperature, activating it automatically when the...
This circuit was obtained from a 1967 General Electric documentation. The circuit makes use of...