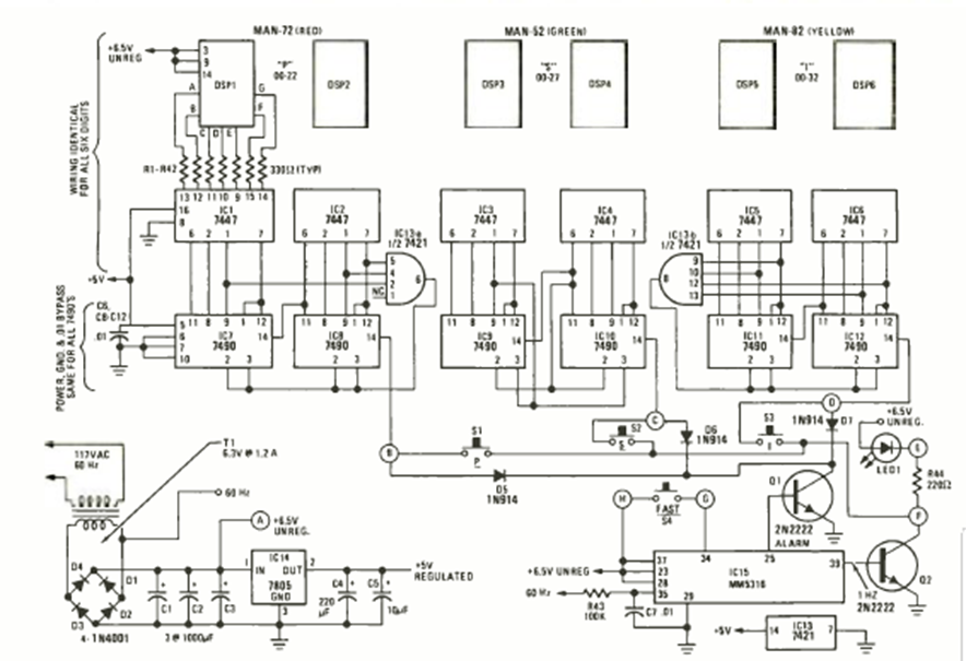
Found in a November 1977 Radio Electronics magazine, this digital circuit was described in an article that taught how to assemble it. The 6-digit circuit is a clock.
We found this circuit in an old documentation from the 70s, but it can be assembled with more...
This circuit controls a fan in the car, according to the temperature, activating it automatically when the...
This circuit was obtained from a 1967 General Electric documentation. The circuit makes use of...