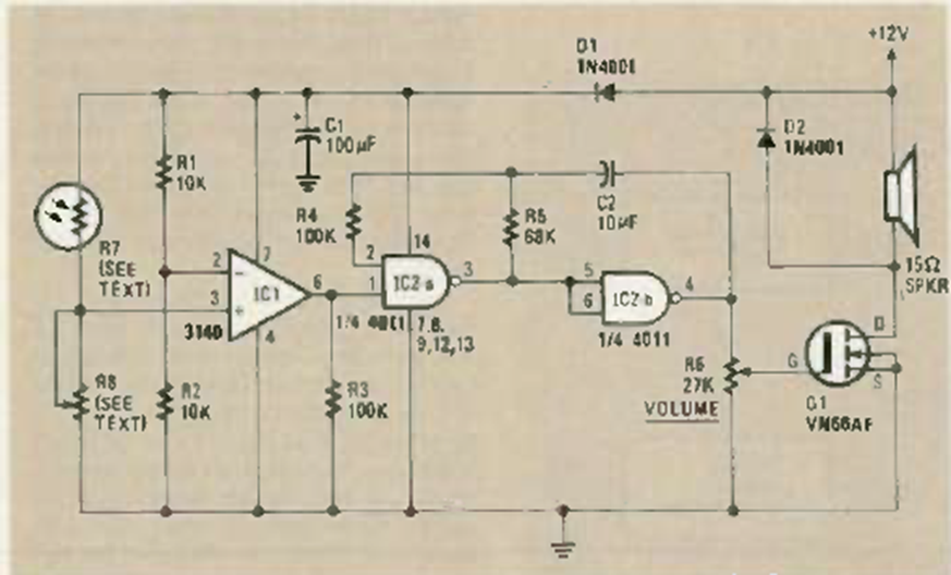
Using the CA3140 integrated circuit, this switch was found in the June 1986 Radio Electronics magazine. Sensitivity adjustment is made at the trimpot in series with the sensor.
This circuit using a SIDAC is suggested by ON Semiconductor in its thyristor manual. The circuit...
August 2017 - Mouser Electronics announced the availability of a full range of Mean Well regulated DC-DC...
In this circuit from the 60s, the power supply is made with 22.5 V, which is the voltage of the...