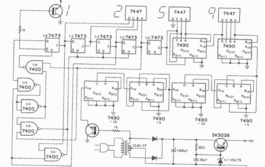
This is a typical 3 ½ digit TTL counter. We found it in the September 1973 issue of Radio Electronics magazine. The circuit is to be powered by 5 V. It can be expanded to more digits.
This 1000: 1 voltage-controlled filter circuit was found in an Electronics Today International in a 1980s...
In the figure we show how to supply a DC motor from 6 to 12 V with alternating current. The diodes...
Found in a Radio Electronics we have in the figure a circuit to disconnect an SCR with direct...