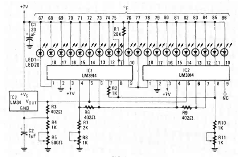
This bargraph circuit was found in the January 1986 issue of Radio Electronics magazine. It is based on the well-known LM3914 and has two of them in cascade driving a good number of LEDs.
This 1000: 1 voltage-controlled filter circuit was found in an Electronics Today International in a 1980s...
In the figure we show how to supply a DC motor from 6 to 12 V with alternating current. The diodes...
Found in a Radio Electronics we have in the figure a circuit to disconnect an SCR with direct...