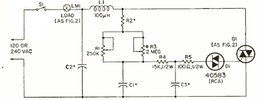
The use of a diac improves the performance of the two dimmers in the previous circuits. The circuit is from the same Radio Electronics magazine in an article that teaches how to use triacs.
This sequential beacon was found in an 80's Radio Electronics. The circuit can be designed using modern...
This circuit consists in a full-wave bridge rectifier or Graetz Bridge as its is also called. The...
This simple radio with 1 germanium transistor was found in a Japanese documentation from 1967. The coil...