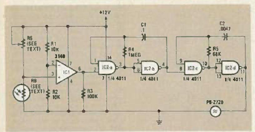
Based on the CA3140 IC, this circuit was found in the June 1986 issue of Radio Electronics. Sensitivity adjustment is made using a trimpot in series with the sensor.
Because it uses TTL integrated circuits, this siren must be powered by 5 V or as indicated with D1 to...
The correct connection of speakers and tweeters in a speaker to obtain better sound quality,...
The CMOS PLL used on this circuit is not very common. The circuit can be used to take out contact...