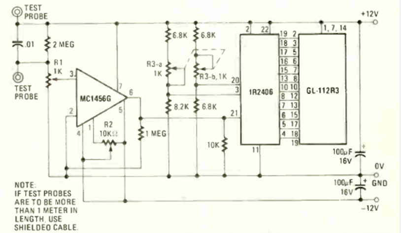
We found this circuit in the October 1979 issue of Radio Electronics magazine. It uses a 7016 bargraph indicator, but other equivalents can be used. R2 adjusts the offset or null of the operational amplifier.
We found this circuit in the October 1979 issue of Radio Electronics magazine. It uses a 7016 bargraph indicator, but other equivalents can be used. R2 adjusts the offset or null of the operational amplifier.