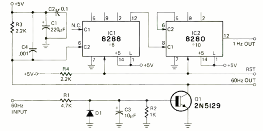
We found this time base circuit in a timer project from the August 1972 Radio Electronics magazine. The circuit takes advantage of the 60 Hz signal from the power grid.
An FM receiver with good sensitivity and with acceptable sound quality in the strongest stations, can...
Exciting a sequential circuit with the output of a stereo we can make a set of lamps run at a...
The circuit shown was found in American documentation from the 1990s. The transistor can be of any...