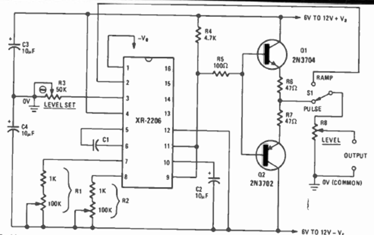
This interesting benchtop circuit was found in the May 1977 issue of Radio Electronics magazine. The circuit has frequency adjustment, and the waveform selected by a switch.
This simple radio was found in a Popular Electronics from the 90s. L1 and L2 have 100 turns on a...
This circuit was found in Radio Electronics magazine from the 90's. The circuit is for small NiCad...
This automotive circuit was obtained from an 80's schematic from the integrated circuit factory...