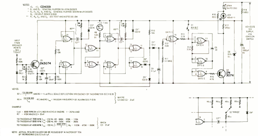
We found this circuit in a Radio Electronics from October 1976. The components are still common, but the circuit applies to older car models with contact breaker ignition.
The FET used can be an equivalent like the BF245 or MPF102 and the operational one also admits an...
This circuit makes a very fast switch when receiving an input signal. The FET can be BF245 and the...
This tone control was obtained in a Signetics documentation of the 90s. The integrated circuit can be...