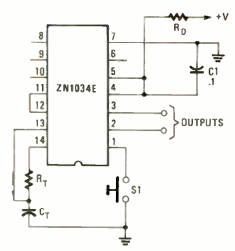
This timer, using the ZN1034E, is from a May 1987 Radio Electronics magazine. The circuit can provide intervals, as long as 19 days, from an RC with a time constant of 220 seconds.

This timer, using the ZN1034E, is from a May 1987 Radio Electronics magazine. The circuit can provide intervals, as long as 19 days, from an RC with a time constant of 220 seconds.
