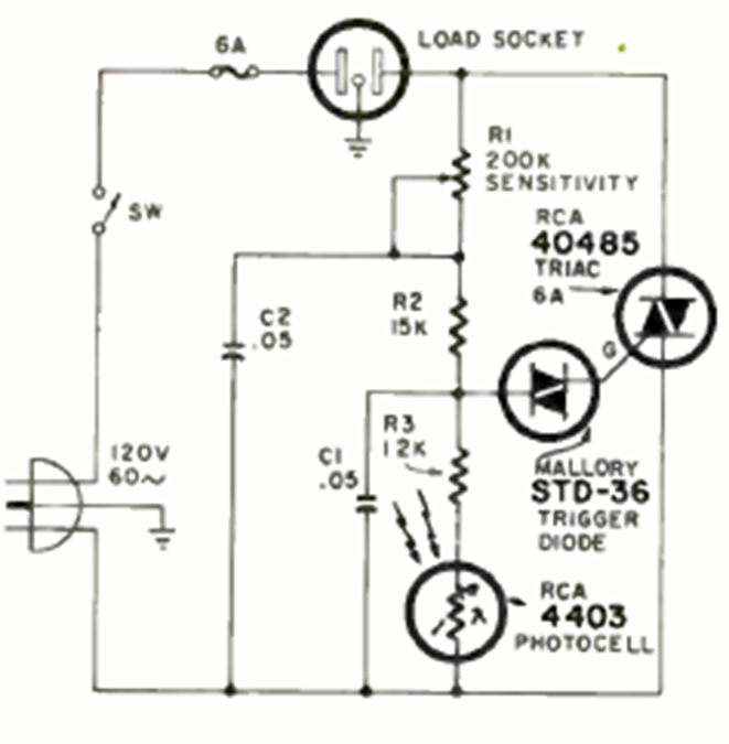
This circuit for incandescent lamps was found in the February 1972 Radio Electronics magazine. The triac is rated according to the lamp power and the sensitivity adjustment is made in R1.
S The purpose of this circuit, found in a 1975 publication, is to suppress the noise that occurs when...
This circuit generates signals for the calibration of IFI (Intermediate Frequency) of traditional AM and...
This dual-operator thermometer circuit was found in the September 1982 issue of Radio Electronics...